道理:
二維混料機首要由轉筒、擺動架、基架三大局部組成。轉筒裝在擺動架上,由四個滾輪支持并由兩個擋輪對其停止軸向定位,在四個支持滾輪中,此中兩個傳動輪由動彈能源體系拖動使轉筒產生動彈,擺動架由一組曲柄擺桿機構來驅動,曲柄擺桿機構裝在機架上,擺動架由軸承組件支持在機架上。
特色:
EYH二維混料機的轉筒可同時停止二個活動,一個為轉筒的動彈,另外一個為轉筒隨擺動架的擺動。被夾雜物料在轉筒內隨轉筒動彈、翻轉、夾雜的同時,又隨轉筒的擺動而產生擺布往返的摻混活動,再這兩個活動的配合感化下,物料在短時候內獲得充實的夾雜。EYH二維混料機合適一切粉、粒狀物料的夾雜。 本機普遍用于醫藥、化工、食物、染料、飼料、化肥、農藥等行業特別合用于大噸位(1000L-10000L)各種固相物料的夾雜。
本機夾雜筒在傳動的同時又到場擺動,使筒中物料得以充實夾雜。夾雜筒的出料口偏離夾雜筒圓筒局部的中線,使該機具備夾雜敏捷、夾雜量大,出料便利等特色。
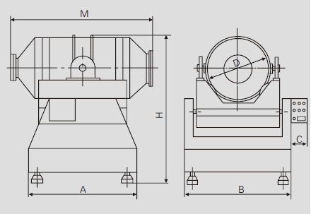
形狀表示圖:
手藝參數:
類型 | 容量L> | 裝料標準值 > | 裝料重量 > | 外觀設計規格mm> | 效率 > | ||||||
A> | B> | C> | D> | M> | H> | 移動 > | 搖擺 > | ||||
EYH100> | 100> | 0.5> | 40> | 860> | 900> | 200> | 400> | 1000> | 1500> | 11.1> | 0.75> |
EYH300> | 300> | 0.5> | 75> | 1000> | 1100> | 200> | 580> | 1400> | 1650> | 11.1> | 0.75> |
EYH600> | 600> | 0.5> | 150> | 1300> | 1250> | 240> | 720> | 1800> | 1850> | 1.5> | 1.1> |
EYH800> | 800> | 0.5> | 200> | 1400> | 1350> | 240> | 810> | 1970> | 2100> | 1.5> | 1.1> |
EYH1000> | 1000> | 0.5> | 350> | 1500> | 1390> | 240> | 850> | 2040> | 2180> | 2.2> | 1.5> |
EYH1500> | 1500> | 0.5> | 550> | 1800> | 1550> | 240> | 980> | 2340> | 2280> | 3> | 1.5> |
EYH2000> | 2000> | 0.5> | 750> | 2000> | 1670> | 240> | 1100> | 2540> | 2440> | 3> | 2.2> |
EYH2500> | 2500> | 0.5> | 950> | 2200> | 1850> | 240> | 1160> | 2760> | 2600> | 4> | 2.2> |
EYH3000> | 3000> | 0.5> | 1100> | 2400> | 1910> | 280> | 1220> | 2960> | 2640> | 5> | 4> |
EYH5000> | 5000> | 0.5> | 1800> | 2700> | 2290> | 300> | 1440> | 3530> | 3000> | 7.5> | 5> |
EYH10000> | 10000> | 0.5> | 3000> | 3200> | 2700> | 360> | 1800> | 4240> | 4000> | 15> | 11> |
EYH12000> | 12000> | 0.5> | 4000> | 3400> | 2800> | 360> | 1910> | 4860> | 4200> | 15> | 11> |
EYH15000> | 15000> | 0.5> | 5000> | 3500> | 3000> | 360> | 2100> | 5000> | 4400> | 18.5> | 15> |